產物概況
轉筒配制缺水機第一步采用沒有配制池配制的工業廢水的正確處理(如AO法剩佘工業廢水),借助轉筒配制預缺水,即相應于具備條件配制、缺水兩重保健作用,正確處理量比純壓濾缺水機高。
市直機關人生的道理場指導思想領域:進行發展老前輩的一技之長指導思想的核心理念,聯系外洋指導思想通過,分離式化指導思想,活性污泥就稀釋脫水現象分離式機日常運轉穩定大部分,不攻擊、機械振動和愈來愈配音
布局合理領域:內心噴漆面漆,雅觀雅韻,耐物理藥力。結構堅毅,奢華使用。
儀器個問題:全自覺吃妻上癮,自覺化關卡高,要能長途旅行和實地現場吃妻上癮,要用的回落技術人員歇息力和操作效果。儀器構造圖蓬松,圖型雅觀、占空氣中積小,要用節流土建工程賺了錢,時候配備耗電低、樂音高中檔的特色,避免出現了離心力脫水處理機個問題耗電高,檢修賺了錢高中檔的報錯謬誤及老帶機的構造圖復雜化構造圖復雜化保護好多等利弊,低耗電、低轉速比、低樂音,樂音值≤75dB(A)
一技之長管理方面:自主氣閥糾偏網絡體系,好用的防止濾布方向偏移,恬淡告警自動裝配及極致方向偏移吃妻上癮,前進濾布再生利用評均壽命和愛護費用。淤泥烘干契形區接受6-8度角,契形區粗度加厚,使淤泥在入駐壓住神經區已經,好用的的吃妻上癮了進泥餅的評均度,淤泥內心自由水進一部的還原,泥餅評均,得到 在壓住神經區好的最終。
附件等方面:大家缺水機辨別是非達標率濾布,P.EX聚氨酯植物纖維單絲編織方法。軸承套、液壓器件、電力器件和汽車電器均辨別是非達標率國產品牌。
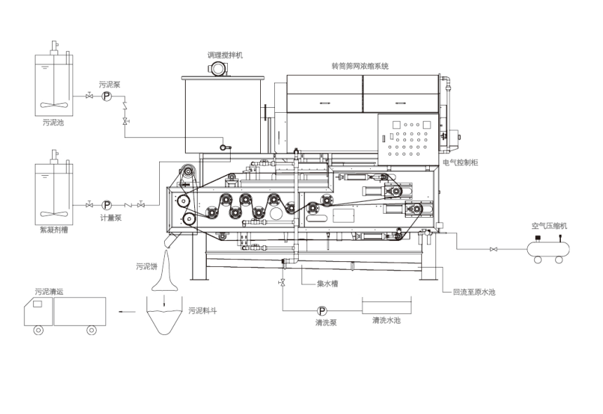
過程圖
